

Characteristic:
Round nylon and PVC steel rings are used in fabricating the round-shaped protecting covers,which is dust resistant,water proof,oil resistant and corrosion proof.This product can work properly the temperature range of 110。C-40。C.The length of the travel range can be set according to the customer's request.
①Rigid polyamide or kevlar rings coated on both sides.
②Seams or weldings.
③PVCsupporting shoes.
④Steel rings for the bigger bellows.
⑤Flat flange.
⑥Collar.
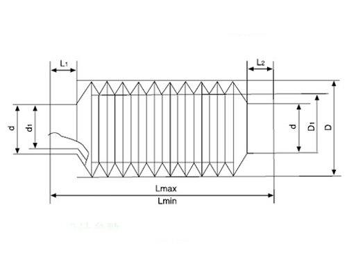
Design data for rubber shield
| Code | Description | Data | Remarks | Code | Description | Data | Remarks |
| Lmax | Length after drawing | | | D | Outside diameter | | rubber |
| Lmin | Length after compression | | | D1 | Inside diameter | | By user |
| L1 | Underside for connecting length | | | d | O.D Of the connecting point | | |
| L2 | Upper connecting length | | | d1 | I.D Of the connecting point | | |